Product Summary
The 2MBI300SK-060-01 is an IGBT Module. Application areas of the 2MBI300SK-060-01 include Inverter for motor drive, AC and DC servo drive amplifier, UPS (Uninterruptible power supply).
Parametrics
2MBI300SK-060-01 absolute maximum ratings: (1)DC bus voltage: 450V; (2)DC bus voltage (Surge): 500V; (3)DC bus voltage (Short operating): 400V; (4)Junction temperature: 150°C; (5)Input voltage of power supply for pre-driver: –0.3 to 20V.
Features
2MBI300SK-060-01 features: (1)Low power loss and soft switching; (2)High performance and high reliability IGBT with overheating; (3)protection; (4)Higher reliability because of a big decrease in number of parts in built-in control circuit.
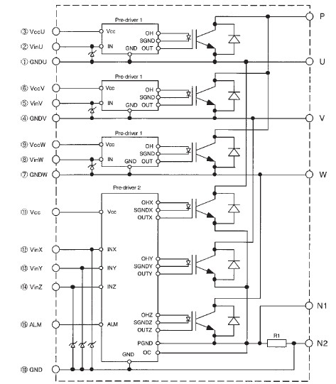
Diagrams

![]() |
![]() 2MBI100N-060-03 |
![]() Other |
![]() |
![]() Data Sheet |
![]() Negotiable |
|
||||
![]() |
![]() 2MBI100NB-120 |
![]() Other |
![]() |
![]() Data Sheet |
![]() Negotiable |
|
||||
![]() |
![]() 2MBI100NC-120 |
![]() Other |
![]() |
![]() Data Sheet |
![]() Negotiable |
|
||||
![]() |
![]() 2MBI100NE-120 |
![]() Other |
![]() |
![]() Data Sheet |
![]() Negotiable |
|
||||
![]() |
![]() 2MBI100P-140 |
![]() Other |
![]() |
![]() Data Sheet |
![]() Negotiable |
|
||||
![]() |
![]() 2MBI100PC-140 |
![]() Other |
![]() |
![]() Data Sheet |
![]() Negotiable |
|
||||
(China (Mainland))








